MB38軸承規格
上海井兮公司現貨供應MB38軸承,TIMKEN品牌,基本尺寸為190mm x 190mm x 190mm,鎖緊墊圈類型。我公司長期為客戶提供MB38軸承內徑、外徑、高度、轉速、基本負荷、疲勞負荷、體積、重量等相關資料。咨詢電話:021-36539288 36539299
此軸承推薦用途:垃圾車 氣動泵 制沙機械 塑料機械 糧食加工設備 電解槽 羅蘭印刷機 醫用 脫硫機 塑機輔機
- 型號
- MB38軸承
- 軸承類型
- 鎖緊墊圈
- 備注
-
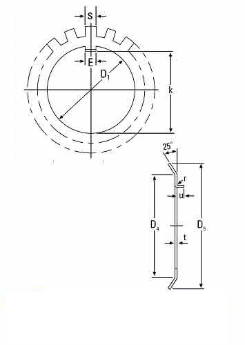
- D1
- 190
- k
- 184
- E
- 20
- t
- 2.5
- S
- 18
- D4
- 214
- D5
- 252
- r
- 1.5
- u
- 8
- 鎖片個數
- 19
- kg(100PCS)
- 27.800
- 鎖緊螺母
- KM38
軸承MB38經銷商推薦: HMV-90軸承 HH234048/HH234010軸承 28682+28622軸承 241/500YMB軸承 LL116249/LL116210軸承 L476549/L476510軸承 LM67048+LM67010-BA軸承 T119軸承 546/533D軸承 99587D+99100+Y18S-99100軸承
上一篇:
MB36軸承 下一篇:
MB40軸承
MB38相關型號
- 型號
- 內徑(mm)
- 外徑(mm)
- 厚度(mm)
- 品牌
- 類型
- MB30
- 150
- 145
- 16
- TIMKEN
- 鎖緊墊圈
- MB31
- 155
- 147.5
- 16
- TIMKEN
- 鎖緊墊圈
- MB32
- 160
- 154
- 18
- TIMKEN
- 鎖緊墊圈
- MB33
- 165
- 157.5
- 18
- TIMKEN
- 鎖緊墊圈
- MB34
- 170
- 164
- 18
- TIMKEN
- 鎖緊墊圈
- MB36
- 180
- 174
- 20
- TIMKEN
- 鎖緊墊圈
- MB38
- 190
- 184
- 20
- TIMKEN
- 鎖緊墊圈